Nawigacja mobilna
Fan Selection Software
Operating point
Select fan type
REB-ECOWATT - Regulator prędkości

REB-ECOWATT

Regulator prędkości

Nastawnik przeznaczony do regulacji obrotów wentylatorów typu TD ECOWATT, TD SILENT ECOWATT, VENT ECOWATT, CAB ECOWATT, ale również może być stosowany do nastawy obrotów innych wentylatorów wyposażonych w silniki elektronicznie komutowane (BLDC).
Zapytaj o produkt

Zastosowanie

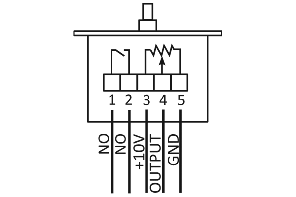
REB-ECOWATT - potencjometryczny (0-10 kΩ) nastawnik sygnału 0-10 V DC.
Przeznaczony do regulacji obrotów wentylatorów typu TD ECOWATT, TD SILENT ECOWATT, VENT ECOWATT, CAB ECOWATT, ale również może być stosowany do nastawy obrotów innych wentylatorów wyposażonych w silniki elektronicznie komutowane (BLDC) takich jak RF/EC, RFV/EC, IBF/EC, lub jako ręczny zadajnik do przemienników częstotliwości (falowników).

Uwaga

Regulatory prędkości mogą współpracować jedynie z wentylatorami przystosowanymi do regulacji obrotów jednym z wyżej wymienionych sposobów.
Wszystkie regulatory tyrystorowe mogą powodować hałas silnika przy obniżonej prędkości obrotowej. Ze względu na pogorszenie chłodzenia silnika przy zmniejszonych obrotach - nie zaleca się obniżania prędkości obrotowej poniżej 50% wartości nominalnej lub jeśli to możliwe, stosowanie chłodzenia obcego.

Wsparcie techniczne

Dobierz wentylator www.programdoboru.pl

m3/h
Pa


Venture Industries Group