Nawigacja mobilna
Fan Selection Software
Operating point
Select fan type
PULSER - Regulator prędkości

PULSER

Regulator prędkości

Urządzenie sterujące nagrzewnicą na podstawie nastawy temperaturowej (0-30°C) zadanej przez użytkownika oraz wewnętrznego czujnika temperatury.
Zapytaj o produkt

Zastosowanie

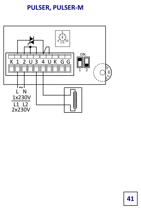
Regulator nagrzewnic jedno oraz dwufazowych - PULSER, PULSER-M - urządzenie sterujące nagrzewnicą na podstawie nastawy temperaturowej (0-30 °C) zadanej przez użytkownika oraz wewnętrznego czujnika temperatury. Urządzenie do montażu naściennego. Jednostka może współpracować z dodatkowymi akcesoriami (brak w zestawie): zegarem sterującym (w celu obniżenia nastawy temperatury o regulowaną wartość 0-10K w czasie nocnym lub dłuższej nieobecności), zewnętrznym czujnikiem kanałowym TGK-330 lub czujnikiem pomieszczeniowym z nastawnikiem TG-R430. Stopień ochrony IP30. Aby sterować większą ilością nagrzewnic należy zastosować kombinację urządzeń PULSER oraz PULSER ADD. Regulator PULSER-M oprócz powyższych możliwości, ma również funkcję limitu górnej i dolnej temperatury. Do prawidłowego działania funkcji wymagane jest użycie dodatkowego kanałowego czujnika temperatury TGK-360.

Wsparcie techniczne

Dobierz wentylator www.programdoboru.pl

m3/h
Pa


Venture Industries Group